首页
公司概况
公司简介
组织机构
企业文化
公司新闻
党建园地
服务动态
员工风采
行业动态
同业动态
政策法规
信息中心
水质公告
水质检测
通知公告
停水公告
水价信息
用水常识
服务指南
网上营业厅
政务服务
联系我们
联系我们
信息中心
>
水质检测
水质公告
>
水质检测
>
通知公告
>
停水公告
>
水价信息
>
用水常识
>
服务指南
>
联系方式
驻马店市中业自来水有限公司
邮编:463000
电话:0396-2582222
地址:河南省驻马店市中华路360号
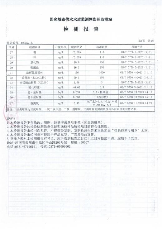
水质检测
2025年12月水质检测报告
时间:2026/1/3 15:19:04
阅读数: 次
返回列表